В избранное   0562 39-22-23  068 239-22-23  067 637-15-26  096 331-31-30
Корзина
About us    Карта сайта
Партнеры
Siemens
Delta Electronics
Advantech
Belden
Rittal
QNX Software Systems
Schneider Electric


Вид взрывозащиты «искробезопасная электрическая цепь»


Виктор Жданкин

CTA 2/99

В предыдущей статье [1], опубликованной в «СТА» 2/98, были представлены различные методы защиты, применение которых позволяет снизить опасность взрыва или пожара на участках производства с наличием взрывоопасной среды, либо там, где существует потенциальная опасность появления такой среды. Вид взрывозащиты «взрывонепроницаемая оболочка» и виды защиты, основанные на идее изоляции, являются методами, которые ограничивают взрыв взрывоопасной смеси в пределах оболочки или изолируют электрооборудование от взрывоопасной атмосферы посредством защитного газа (воздуха или инертного газа). В обоих случаях требуется применение специальных оболочек, особой прокладки электрических проводов и размещение оборудования согласно определенным правилам, что требует значительных капитальных вложений.

Искробезопасная электрическая цепь определяется как цепь, в которой разряды или термические воздействия, возникающие во время нормального режима работы электрооборудования, а также в аварийных режимах, не вызывают воспламенения взрывоопасной смеси.

Вид взрывозащиты «искробезопасная электрическая цепь» основывается на поддержании искробезопасного тока (напряжения, мощности или энергии) в электрической цепи. При этом под искробезопасным током (напряжением, мощностью или энергией) имеется в виду наибольший ток (напряжение, мощность или энергия) в электрической цепи, образующий разряды, который не вызывает воспламенения взрывоопасной смеси в предписанных соответствующими стандартами условиях испытаний. К такого рода стандартам можно отнести: ГОСТ 22782.5-78 «Электрооборудование взрывозащищенное с видом взрывозащиты «искробезопасная электрическая цепь» или международные стандарты IEC 79-3 Spark Test Apparatus for Intrinsically Safe Circuits, IEC 79-11 Construction and Test of Intrinsically Safe and Associated Apparatus.

В Соединенных Штатах Америки правомочной организацией по классификации взрывоопасных зон является Государственная ассоциация пожарной охраны (National Fire Protection Association — NFPA). NFPA отвечает за соблюдение Государственных электротехнических норм (National Electrical Code), североамериканского стандарта на взрывозащищенное электрооборудование с видом взрывозащиты «искробезопасная электрическая цепь», нормативных документов NFPA 70, NFPA 493.

Статья 500 Государственных электротехнических норм оговаривает применение электрооборудования во взрывоопасных зонах и определяет классификацию зон для возможных групп взрывоопасных веществ и величин температур самовоспламенения.

NFPA 493 относится к виду взрывозащиты «искробезопасная электрическая цепь» и является авторитетным источником, на котором базируются стандарты для испытательных лабораторий таких, например, как Factory Mutual Research Corporation — FM (стандарт FM 3610) и Underwriters Laboratories — UL (cтандарт UL 913).

Североамериканский стандарт является равнозначным Европейскому стандарту EN 50.020 для уровня взрывозащиты «ia». Эти стандарты идентичны в части сертификации электрооборудования по отношению к существующей опасности: газ, пыль и температура воспламенения — и в части характеристик искробезопасности для омической, индуктивной и емкостной цепей. Различия лежат в обозначениях групп, в градациях величин температур самовоспламенения и в назначении коэффициентов искробезопасности.

Основные типы электрических цепей

Вспомним простейшие электрические цепи и рассмотрим их с точки зрения искробезопасности.

Типовая электрическая цепь содержит источник напряжения U, сопротивление R, индуктивность L, емкость С и переключатель S, соединенные, как показано на рис. 1.

Рис. 1. Cхема электрическая типовой искробезопасной цепи

Для анализа электрической цепи на искробезопасность необходимо рассматривать реактивные элементы цепи (индуктивности и емкости), которые способны накапливать и отдавать энергию. Когда переключатель, расположенный в опасной зоне, разомкнут, конденсатор накапливает электрическую энергию, которая выделяется при замыкании переключателя, образуя электрическую искру. Таким же образом при замкнутом переключателе индуктивность накапливает магнитную энергию, которая выделяется в виде электрической дуги при размыкании переключателя. Значение энергии, выделяемой электрической цепью, должно быть ниже минимальной энергии поджигания газовоздушной смеси, присутствующей в опасной зоне.

Теоретическое определение точного значения энергии, накопленной в электрической цепи, не всегда возможно, особенно если вырабатываемая источником энергия выше энергии, накопленной реактивными элементами. По этой причине характеристики искробезопасных электрических цепей представляются в виде соотношения между электрическими параметрами цепи, напряжением, током и минимальной энергией поджигания опасной атмосферы.

Электрическая цепь любой сложности может быть последовательно рассмотрена как омическая, индуктивная и емкостная. Если критерии безопасности отвечают различным типам цепей, то исходная цепь может считаться искробезопасной.

Определение воспламеняющего тока для индуктивной, омической или емкостной цепи производится с помощью установок для контрольных испытаний электрических цепей на искробезопасность. Детальное описание методики определения воспламеняющего тока и напряжения и построения характеристик искробезопасности приводится в ГОСТ 22782.5-78 «Электрооборудование взрывозащищенное с видом взрывозащиты «искробезопасная электрическая цепь». Стандарт полностью соответствует документам МЭК 79-3 (1972 г.) и 79-11 (1976 г.) в части основных технических требований и методов испытаний. Характеристики искробезопасности строятся в прямоугольной системе координат с логарифмическим масштабом. Экспериментальные точки (воспламеняющие параметры) определяются для цепей с индуктивностью 1,10,100 мкГн; 1,10, 100 мГн; 1,10 Гн и т. д. или с емкостью 100, 1000, 10000, 100000 пФ; 1,10, 100 мкФ и т. д., с разрядными резисторами 1,10, 100, 1000 Ом и т.д. Величины напряжения принимаются, исходя из удобства их дальнейшего использования. Обычно используют ряд 7,5; 15; 24; 30; 45; 70; 120 В.

Омическая цепь

Электрическая цепь считается омической, если реактивные сопротивления (индуктивность или емкость) равны нулю или незначительны (рис. 2).

Рис. 2. Схема электрическая омической цепи

Энергия в этом типе электрической цепи зависит от напряжения источника питания U и тока, ограниченного резистором R. В этом случае трудно установить соотношение минимальной энергии поджигания и состояния в цепи, при котором образуется искра.

Экспериментальные исследования этого типа электрической цепи доказывают, что способность к воспламенению взрывоопасных смесей зависит от напряжения в режиме холостого хода U х.х. и тока короткого замыкания I к.з. Зависимости минимального воспламеняющего тока от напряжения источника в омической цепи (индуктивность менее 10-4 Гн) для всех представительных взрывоопасных смесей показаны на рис. 3. Для определения значения искробезопасного тока (напряжения) необходимо при заданных электрических параметрах цепи определить минимальный воспламеняющий ток (напряжение) заданной взрывоопасной смеси и разделить его на коэффициент искробезопасности, т.е. на 1,5. При расчете цепей переменного тока необходимо принимать амплитудные значения тока и напряжения.

Рис. 3. Зависимости минимального воспламеняющего
тока от напряжения источника в омической цепи
(индуктивность менее 10-4 Гн):
1- группа I (метано-воздушная смесь);
2 - подгруппа IIА (пентано-воздушная смесь);
3 - подгруппа IIВ (этилено-воздушная смесь);
4 - подгруппа IIO (водородно-воздушная смесь)

Индуктивная цепь

Электрическая цепь считается индуктивной, если реактивное сопротивление, определяемое индуктивностью цепи, выше активного сопротивления. Схема электрическая индуктивной цепи приведена на рис. 4.

Рис. 4. Схема электрическая индуктивной цепи

Максимальный ток, протекающий в цепи при замкнутом переключателе, определяется как
I= U/R

Индуктивность накапливает энергию в количестве
E=1/2LI2

Когда цепь размыкается, напряжение на индуктивности (UL= L dI/dt) суммируется с энергией источника напряжения. Магнитная энергия, накопленная в индуктивности, и энергия источника выделяются в виде электрической дуги.

На рис. 5 приводятся зависимости минимального воспламеняющего тока от индуктивности цепи и напряжения источника для метано-воздушной смеси (группа I).

Рис. 5. Зависимости минимального воспламеняющего тока от индуктивности цепи
и напряжения источника для метано-воздушной смеси (группа I) при
напряжениях источника: 1- 12 В; 2- 24 В; 3- 70 В

Зависимости минимальных воспламеняющих токов от индуктивности для других представительных взрывоопасных смесей можно найти в [2].

Емкостная цепь

Электрическая цепь считается емкостной, если реактивное сопротивление, определяемое емкостью цепи, выше активного сопротивления.

Емкостная цепь изображена на рис. 6.

Рис. 6. Схема электрическая емкостной цепи

Kогда цепь разомкнута, конденсатор заряжается до напряжения U; в момент замыкания цепи энергия, накопленная конденсатором (Е=1/2 СU2), выделяется в виде электрической искры. Разряд конденсатора является неполным и происходит не мгновенно. Резистор, включенный в цепь разряда конденсатора, увеличивает время разряда, рассеивает часть энергии, накопленной конденсатором, и таким образом ограничивает энергию, выделяемую в месте контакта. Зависимости минимального воспламеняющего напряжения от емкости цепи и сопротивления ограничительного резистора для пентано-воздушной смеси приведены на рис. 7.

Рис. 7. Зависимости минимального воспламеняющего
напряжения от емкости цепи и сопротивления
ограничительного резистора для пентано-воздушной смеси:
1- R=10 кОм; 2- R=1,0 кОм; 3- R=0,1 кОм; 4- R=0,01 кОм; 5- R=0

Классификация взрывозащищенного электрооборудования

В стандартах на электрооборудование с видом взрывозащиты «искробезопасная электрическая цепь» рассматриваются три типа устройств:

  • элементарные устройства,
  • искробезопасное электрооборудование,
  • связанное электрооборудование.

Элементарные устройства

К элементарным устройствам относятся такие, в которых не превышается ни одно из следующих значений: 1,2 В; 0,1 А; 20 мкДж; 25 мВт.

К этой категории относятся пассивные воспринимающие элементы (термопары, резистивные датчики, контакты, светодиоды и т.д.), которые могут быть непосредственно размещены на опасных участках. Они не требуют сертификации и маркировки.

Искробезопасное электрооборудование

Искробезопасным электрооборудованием является электрооборудование, у которого внешние и внутренние электрические цепи искробезопасны. Внешнее оборудование (выходные элементы, преобразователи «ток-давление», клапаны соленоидов и т.д.), применяющееся во взрывоопасных зонах, должно быть сертифицировано на искробезопасность. Сертификация основывается на максимальном уровне энергии (группа газа) и величине температуры самовоспламенения.

Маркировка электрооборудования, устанавливаемого во взрывоопасных условиях, должна содержать обозначения уровня искробезопасной цепи.

В электрооборудовании группы II, рассчитанном для применения в конкретном горючем газе или паре, вместо обозначения подгруппы температурного класса по ГОСТ 12.2.020-76 указывается наименование этого газа или пара.

Пример: ОЕхia аммиак «В комплекте… (указывается сокращенное наименование комплекта электрооборудования или системы)».

В электрооборудовании группы II, предназначенном для установки вне взрывоопасной зоны и имеющем искробезопасные цепи, в маркировке по ГОСТ 12.2.020-76 должны быть исключены знаки уровня взрывозащиты и температурного класса.

Пример: ExiaIIC или ExibIIA «В комплекте… (указывается сокращенное наименование электрооборудования или системы)».

Связанное электрооборудование

К этому типу устройств относят электрооборудование или его цепи, которые при нормальном или аварийном режиме работы не отделены гальванически от искробезопасных цепей.

Пассивные барьеры, изолированные барьеры постоянного тока и контрольно-измерительное оборудование, которые применяются для сопряжения и измерения сигналов, поступающих из опасных зон, являются основной частью этого типа оборудования и должны быть сертифицированы на соответствие максимальному значению энергии (группа газа), которое может быть передано во взрывоопасную зону.

Электрооборудование должно размещаться во взрывобезопасной зоне, а при размещении во взрывоопасной среде должно иметь соответствующие виды взрывозащиты.

В европейской практике для связанного электрооборудования, размещенного во взрывобезопасной зоне, применяется следующая маркировка: [Ex ia] II, C.

Связанное электрооборудование, размещенное во взрывоопасной зоне и имеющее вид взрывозащиты «взрывонепроницаемая оболочка», маркируется следующим образом: Ex «d» [ia] II,C T4. Маркировка в квадратных скобках указывает на то, что это связанное электрооборудование.

Взрывозащищенное электрооборудование с видом взрывозащиты «искробезопасная электрическая цепь», размещенное во взрывоопасной зоне, должно быть также сертифицировано на соответствие величине температуры самовоспламенения.

Коэффициенты искробезопасности

Под коэффициентом искробезопасности понимается отношение минимальных воспламеняющих параметров к соответствующим искробезопасным.

По стандартам США для вида взрывозащиты «искробезопасная электрическая цепь» приняты следующие коэффициенты искробезопасности:

  • 1,5 — при наиболее неблагоприятных условиях и одном повреждении,
  • 1 — при наиболее неблагоприятных условиях и двух повреждениях.

В Северной Америке принят коэффициент искробезопасности 1,5 по энергии, если конструкция устройства экспериментально испытана. При теоретических исследованиях применяется коэффициент 2 по напряжению и току для нормального режима и одного повреждения в аварийном режиме, коэффициент 1,33 применяется для аварийного режима с двумя повреждениями.

Основной причиной повышения значений коэффициентов искробезопасности при теоретических исследованиях является неизвестность номинальных значений компонентов. Например, значение индуктивности может зависеть от метода измерения.

В соответствии с европейскими стандартами и отечественным ГОСТом 22782.5-78 искробезопасные цепи должны иметь коэффициент искробезопасности не ниже 1,5 в нормальном режиме работы электрооборудования, а также в аварийных режимах при искусственно создаваемых повреждениях его элементов и соединений.

Коэффициент искробезопасности 1,5 применяется к напряжению и току, ему соответствует коэффициент 2,25 по энергии.

Проектные и конструкторские аспекты искробезопасных цепей
взрывозащищенного электрооборудования

С точки зрения электротехники, конструкция взрывозащищенного электрооборудования с видом взрывозащиты «искробезопасная электрическая цепь» должна ограничивать максимальные значения тока и напряжения, которые могут присутствовать в опасных зонах в результате аварийного режима или сочетания аварийных режимов со значениями характеристик искробезопасности ниже значений, полученных после применения соответствующего коэффициента искробезопасности.

С контрукторской точки зрения, должны применяться устройства, гарантирующие целостность деталей и цепей, от которых зависит искробезопасность.

Стандарты, относящиеся к искробезопасности, описывают, главным образом, следующие аспекты:

  • размеры элементов,
  • распределение проводников,
  • изоляция,
  • человеческий фактор.

Требования к элементам электрооборудования

Искробезопасное электрооборудование должно оставаться безопасным в аварийных режимах при одном или двух повреждениях. Как правило, электрическое повреждение может быть вызвано износом компонентов или случайным коротким замыканием.

В элементах, от которых зависит искробезопасность цепи, должны быть предусмотрены меры, повышающие их надежность. В электрической цепи не должно быть элементов, нагруженных больше, чем на 2/3 номинальных значений тока, напряжения или мощности. Элементы, которые не соответствуют этим требованиям, должны рассматриваться как повреждаемые.

Следующие элементы относятся к надежным:

  • металлопленочные резисторы;
  • проволочные резисторы, если в конструкции приняты меры против разматывания и закорачивания витков, например пропитка обмоток изоляционным лаком;
  • реле, электромагнитные контакторы, электрооптопары, конструкция которых удовлетворяет требованиям стандарта к искрозащитным элементам;
  • трансформаторы (сигнальные и силовые): сетевая (первичная) обмотка трансформатора должна снабжаться токовой защитой, например плавкими предохранителями. В системах электроснабжения с заземленной нейтралью токовая защита должна устанавливаться в каждый провод сетевой обмотки. В системах с изолированной нейтралью предохранители должны устанавливаться в трехфазных трансформаторах — в две фазы, в однофазных трансформаторах — в одну фазу. Конструкция трансформатора должна быть такой, чтобы обмотка, питающая искробезопасные и гальванически связанные с ними искроопасные цепи, была надежно изолирована от остальных обмоток. Электрические параметры (изоляция, ток холостого тока) должны соответствовать требованиям стандарта;
  • конденсаторы должны включаться последовательно (минимум два в цепи), не допускается применение танталовых и электролитических конденсаторов;
  • полупроводниковые элементы, такие как диоды, стабилитроны, должны быть дублированы, и искробезопасность цепи не должна нарушаться при отключении одного из шунтирующих элементов. Допускается последовательное включение двух диодов, при этом падение напряжения на каждом из них не должно превышать 2/3 обратного рабочего напряжения. Диоды выпрямительного устройства, используемые в качестве искрозащитных, должны рассчитываться на ток короткого замыкания на выходных зажимах выпрямительного устройства;
  • транзисторы, применяемые в качестве шунтирующих, должны быть дублированы; в транзисторах, применяемых в качестве ограничительных, эмиттер и база должны быть соединены через шунтирующий резистор.

Соединение элементов искробезопасной цепи внутри электрооборудования должно выполняться способами, обеспечивающими долговечность в условиях эксплуатации, например пайкой или сваркой. Крепление элементов должно исключать возможность уменьшения электрических зазоров или замыкания между ними.

Требования к путям утечки, электрическим зазорам и электрической изоляции

Разделение проводников в искробезопасных цепях определяется электрическими зазорами и путями утечки и зависит от амплитудных значений напряжений между цепями в соответствии с таблицей 1 из ГОСТа 22782.5-78 или EN50.020.

Напряжение, ВПути утечкиЭлектрические зазорыТолщина слоя изоляционного компаунда, мм
для незалитых компаундом, мм для залитых компаундом, мм для незалитых компаундом, мм для залитых компаундом, мм
До 30 1,5 1,0 1,5 1,0 1,0
> 30 > 60 3,0 1,0 3,0 1,0 1,0
> 60 > 90 4,0 1,3 4,0 1,3 1,5
> 90 > 190 8,0 2,6 6,0 2,0 2,0
> 190 > 375 10,0 3,3 6,0 2,0 2,0
> 375 > 550 15,0 5,0 6,0 3,0 3,0
> 550 > 750 18,0 6,0 8,0 5,0 5,0
> 750 > 1000 25,0 8,3 10,0 5,0 5,0
>1000 > 1300 36,0 12,0 14,0 5,0 5,0

Таблица 1. Зависимость электрических зазоров и путей утечки от амплитудных значений напряжений

Электрический зазор является наикратчайшим расстоянием в воздухе между проводниками, в то время как путь утечки является наикратчайшим расстоянием по твердой поверхности.

Пути и зазоры, имеющие значения в пределах 1/3 значений, указанных в таблице 1, считаются повреждениями. Если путь утечки составляет 1/3 и меньше указанных значений, цепи считаются замкнутыми между собой и это соединение не входит в учет количества повреждений.

В общем случае значение пути утечки больше, чем значение электрического зазора. Исключение составляют случаи, в которых разделение не является достаточно протяженным для того, чтобы считаться эффективным.

На рис. 8 показано, как определяются электрические зазоры и пути утечки.

а — электрический зазор
s — длина пути утечки
Рис. 8. Определение длины пути утечки и
электрического зазора между токоведущими
элементами

Разделение менее, чем 3 мм, но больше, чем 1мм, должно рассматриваться как возможное повреждение. Если разделение меньше, чем 1 мм, то длина пути утечки и электрические зазоры совпадают.

Для подключения внешних искробезопасных и искроопасных цепей, в том числе и сетевых, должны применяться штепсельные разъемы, в которых пути утечки и электрические зазоры между токоведущими частями (штифтами или гнездами) удовлетворяют требованиям табл. 1, а электрические зазоры между зажимами для присоединения кабелей или проводов указанных цепей и между неизолированными участками присоединительных проводов должны составлять не менее 50 мм. Если эти зажимы разделены изоляционной или заземленной металлической перегородкой, то кратчайшее расстояние между неизолированными соединительными проводами с учетом высоты перегородки должно составлять не менее 50 мм.

Электрические зазоры между зажимами для присоединения искробезопасной цепи и заземленными частями также должны удовлетворять требованиям табл. 1.

Зажимы для присоединения внешних искробезопасных и искроопасных цепей должны располагаться в разных вводных устройствах. Соседние зажимы для присоединения искробезопасных цепей должны быть расположены на расстоянии по крайней мере 6 мм.

Изоляция

В соответствии с требованиями FM 3610, UL 913 и CSA C22.2, N157 изоляция между двумя искробезопасными цепями и между искробезопасной цепью и цепью заземления должна выдерживать испытательное напряжение 500 В (среднеквадратичное значение).

ГОСТ 22782.5-78 требует, чтобы изоляция элементов электрооборудования выдерживала испытательные напряжения, указанные в табл. 2.

Изоляция Испытательное напряжение (действующее значение), В
1. Между искробезопасными цепями, гальванически не связанными между собой 2U ном, но не менее 500
2. Между искробезопасной цепью и заземленными частями электрооборудования, если цепь по условиям работы не должна заземляться
3. Между искробезопасной цепью и искроопасной, гальванически отделенной от силовой внешней цепи
4. Между искробезопасной цепью и искроопасной, гальванически связанной с силовой внешней цепью с напряжением до 60 В, для электрооборудования группы I
5. Между искробезопасной и силовой внешней цепью с номинальным (2U ном+1000), но не менее 1500 напряжением до 250 В (2U ном+1000), но не менее 1500
6. Между искроопасной цепью, гальванически связанной с искробезопасной, и силовой внешней цепью с номинальным напряжением до 250 В
7. Между искробезопасной и силовой внешней цепью с номинальным напряжением свыше 250 В (2Uном+1000), но не менее 2000
8. Между искроопасной, гальванически связанной с искробезопасной, и силовой внешней цепью с номинальным напряжением свыше 250 В (2Uном+1000), но не менее 2000

Таблица 2. Испытательные напряжения для разных видов изоляции

Значение Uном выбирается в соответствии со следующими указаниями. Между искробезопасными и искроопасными цепями в качестве исходного напряжения должна приниматься сумма амплитудных значений напряжений этих цепей. Если напряжение искробезопасной цепи составляет менее 20% напряжения искроопасной цепи, то в качестве исходного принимается напряжение искроопасной цепи. Между искробезопасными цепями, гальванически не связанными между собой, в качестве исходного должно приниматься наибольшее напряжение одной из цепей.

Искробезопасные и гальванически связанные с ними искроопасные цепи должны иметь гальваническое разделе ние от силовой, сигнальной или осветительной сетей переменного тока. Допускается гальваническое соединение искробезопасных и связанных с ними электрических цепей через искрозащитные элементы с цепями автономных источников питания постоянного тока (аккумуляторной батареи, генератора постоянного тока, преобразователя).

Искробезопасная цепь не должна заземляться, если этого не требуют условия работы электрооборудования. При заземлении искробезопасных цепей соединение с землей должно выполняться в одной точке. В случае заземления цепи в двух точках необходимо учитывать возможность наведения опасного напряжения в этой цепи и должны быть предусмотрены дополнительные меры по обеспечению ее взрывозащищенности.

Человеческий фактор

Электрооборудование, содержащее цепи или участки цепей, которые являются искробезопасными, требует соответствующей защиты от возможных вмешательств или ошибок монтажа, текущего ремонта и персонала, производящего освидетельствование.

Зажимы для присоединения внешних искробезопасных цепей должны закрываться крышкой, запираемой специальным инструментом, или опломбироваться. Винтовые (болтовые) зажимы должны быть предохранены от самоотвинчивания, а кабели и провода – от рассоединения.

Очевидно, что абсолютная защита невозможна, но для минимизации ошибок обслуживающего персонала необходимо иметь соответствующую документацию, которая включает в себя описания по установке и текущему ремонту оборудования, а также методики проведения контрольных проверок.

Электрооборудование должно снабжаться достаточным количеством поясняющих надписей и указаний, упрощающих эксплуатацию такого оборудования. На отдельно устанавливаемом электрооборудовании должна быть табличка с его блок-схемой, на которой обозначены присоединительные зажимы.

Искрозащитные разделительные барьеры

Искрозащитные элементы обеспечивают искробезопасность электрической цепи посредством ограничения энергии в пределах нижней границы взрыва взрывоопасной смеси в месте установки.

Для сопряжения электрооборудования, расположенного во взрывоопасной зоне, с электрооборудованием, находящимся во взрывобезопасной зоне (связанное электрооборудование), должны применяться определенные ограничительные элементы. Ограничительные элементы можно разделить на две группы:
- диодные барьеры безопасности, или пассивные барьеры,
- гальванически изолированные барьеры безопасности, или активные барьеры.

Пассивные разделительные элементы

С точки зрения электротехники, искрозащитные устройства этого типа являются несложными (рис. 9).

Рис. 9. Схема электрическая блока искрозащиты на диодах

Принцип действия блоков искрозащиты состоит в следующем: в случае появления опасного напряжения на зажимах, подключенных к приборам во взрывобезопасной зоне (250 В макс.), значение которого превышает напряжение стабилизации стабилитронов, в цепи появляется ток (путь указан штриховой линией) и срабатывает предохранитель.

Параметры пассивных блоков искрозащиты на стабилитронах приведены в таблице 3.

Макс. Е Максимальное значение ЭДС, прикладываемой ко входам блока защиты при аварийном режиме
Макс. I Максимальный ток короткого замыкания
Макс. C Максимальное значение внешней емкости
Макс. L Максимальное значение внешней индуктивности

Таблица 3. Параметры пассивных блоков искрозащиты

На рис. 10. приведены принципиальные электрические схемы блоков искрозащиты на стабилитронах (БИС).

Условные обозначения:
V1, V2, V3,V4 — шунтирующие стабилитроны,
F1, F2 — предохранители,
R1, R3 — ограничительные резисторы,
R2, R4 — балластные резисторы.
Рис. 10. Схемы электрические блоков искрозащиты на
стабилитронах:
а — схема блока с балластным резистором;
б — схема блока с балластным резистором для переменного тока;
в — схема блока без балластного резистора;
г — схема блока для переменного тока с балластными
резисторами и заземленной средней точкой стабилитронов;
д — схема блока для переменного тока с балластными
резисторами, с дублированием стабилитронов и заземленной
их средней точкой

Оценка искробезопасности блоков искрозащиты на стабилитронах проводится путем вычисления коэффициента искробезопасности (ГОСТ 22782-5, Приложение 5).

Спецификация блоков искрозащиты на стабилитронах включает в себя следующие параметры:

  • максимальная внешняя емкость — емкость, которая может быть подключена к клеммам искробезопасных электрических цепей блока; ее значение определяется суммарным значением емкостей проводников и входной емкости прибора;
  • максимальная внешняя индуктивность — индуктивность, которая определяется суммой значений индуктивности элементов, установленных до блока искрозащиты, и входной индуктивности прибора;
  • напряжение на входе при 10 (1) мкА — максимальное напряжение при правильной полярности, которое приложено между клеммами взрывобезопасной зоны и земли при определенном токе утечки (10 мкА) (при этом имеются в виду верхние значения рекомендуемого рабочего диапазона);
  • максимальное напряжение на входе — это максимальное значение напряжения при правильной полярности, приложенное между клеммами взрывобезопасной зоны и земли, не вызывающее срабатывания предохранителя; данный параметр рассчитывается при разомкнутых искробезопасных электрических цепях и при температуре окружающей среды 20°С.

Конструктивно блок искрозащиты представляет собой единый неразборный блок, залитый компаундом, устойчивый к условиям эксплуатации.

Далее приведены схемы подключения различных первичных преобразователей с применением блоков искрозащиты на стабилитронах — БИС (рис. 11-14).

На рис. 11 показано наиболее простое и дешевое применение одноканального БИС. Прибор во взрывоопасной зоне не заземлен.

Рис. 11. Схема подключения одноканального БИС без заземления

Применение двухканальных барьеров не требует непосредственного заземления искробезопасных электрических цепей (рис. 12). Заземление происходит только при аварийном режиме, когда срабатывают стабилитроны. Такой способ подключения исключает перекрестные взаимодействия между электрическими цепями.

Рис. 12. Схема подключения двухканального БИС

Из схемы подключения платинового термометра сопротивления по 4-проводной схеме (рис. 13) видно, что ни один из четырех проводников не соединен непосредственно с землей. Поэтому вся система в целом является квазиплавающей. Это лучший способ предотвратить влияние сопротивления БИС на точность измерения.

Рис. 13. Схема подключения платинового термометра сопротивления по 4-проводной схеме

При незаземленном источнике питания применение одноканального заземленного БИС обеспечивает простейшее и дешевое решение (рис. 14). Амперметр применяется в комплекте с самописцем, переключателем предельных значений или резистором 250 Ом или заменяется этими устройствами. При этом должно учитываться общее сопротивление. Рабочий диапазон входного напряжения БИС равен 27 В. Выходное напряжение источника питания может быть увеличено на 1 В для каждого установленного резистора 250 Ом. Допустимо напряжение 16,5 В при 20 мА для преобразователя во взрывоопасной зоне при использовании резистора 250 Ом и источника питания 28 В. Падение напряжения на барьере равно 6,5 В.

Рис. 14. Схема подключения БИС при измерениях

Итак, основные достоинства БИС:

  • низкая стоимость элементов,
  • надежный и несложный принцип действия,
  • возможность превращения стандартного электрооборудования в искробезопасное электрооборудование,
  • большая гибкость.

Ограничениями БИС являются следующие:

  • требование эквипотенциальной системы заземления,
  • наличие проблем с обратным током в случае отсутствия изоляции между входом и выходом,
  • уменьшение полезного напряжения преобразователя из-за наличия ограничивающего резистора и возникновение ошибок при подключении ограничивающих резисторов к резистивным датчикам,
  • возникновение ошибок из-за наличия тока утечки шунтирующих стабилитронов на землю,
  • необходимо применять активное контрольно-измерительное оборудование, генерирующее сигнал в виде уровней тока 4…20 мА, что неудобно для применения с установленными во взрывобезопасной зоне пассивными первичными преобразователями, такими как термопары, термометры сопротивления и др.,
  • возможность невосстанавливаемого повреждения БИС в случае аварийной ситуации или неправильного подключения.

Активные разделительные устройства

Гальванически изолированные активные разделительные устройства (барьеры) имеют источник напряжения или формирователи сигналов, которые передают или принимают сигналы из взрывоопасных зон через изолированный тракт (рис. 15).

Рис. 15. Схема гальванически изолированного барьера

Основное отличие между пассивными БИС и гальванически изолированными барьерами (активными барьерами) заключается в безопасных элементах, которые применяются для изоляции между взрывобезопасной зоной и электрическими цепями, обеспечивающими искробезопасность.

Эта конфигурация не позволяет опасному напряжению, которое приложено к зажимам, расположенным во взрывобезопасной зоне, быть переданным во вторичные цепи без ограничения по максимальному напряжению при аварийной ситуации.

Так как входная цепь является плавающей по отношению к земле, то при повреждении ток не протекает через энергоограничивающие цепи, поэтому нет необходимости заземлять энергоограничивающую цепь.

Достоинства активных барьеров:

  • нeт необходимости в системе заземления,
  • могут быть применены заземленные первичные преобразователи,
  • гальваническая изоляция снимает проблемы обратных токов и обеспечивает высокий коэффициент подавления помехи общего вида,
    достигается более высокая точность измерений,
  • непосредственно могут использоваться выходные сигналы.

Недостатки гальванически изолированных барьеров:
- высокая стоимость элементов, сопоставимая со стоимостью установки,
- спроектированы для особых применений, поэтому являются менее гибкими.

Искробезопасные системы

Искробезопасное электрооборудование никогда не применяется отдельно. Как правило, оно является частью системы, в которой применяются сертифицированные элементы, гарантирующие безопасность системы.

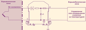
Упрощенная схема искробезопасной системы показана на рис. 16.

Рис. 16. Упрощенная схема искробезопасной системы

Такая система включает в себя:

  • электрооборудование, размещенное во взрывоопасной зоне,
  • электрооборудование, размещенное во взрывобезопасной зоне,
  • электропроводку между ними.

Анализ искробезопасных систем исходит из критериев, которые подтверждают, что максимальное значение электрической и тепловой энергии, выделяющейся во взрывоопасной зоне, ниже, чем границы воспламенения потенциально взрывоопасной смеси при нормальном или аварийном режимах работы.

Kаждый экземпляр искробезопасного оборудования должен иметь паспорт, в котором указываются параметры для выбора связанного электрооборудования: Iвнешн. (Imax) — допустимый ток короткого замыкания и Uвнешн. — напряжение холостого тока на внешних зажимах искробезопасной цепи. Связанное электроборудование, подключенное к каждому входу, не должно иметь максимального значения выходного напряжения (Uoc) выше, чем Uвнешн.. Аналогично максимальное значение выходного тока связанного оборудования (Isc) не должно превышать Imax.

Методика определения безопасности системы состоит в следующем.

Определяется максимальное значение напряжения холостого хода и, соответственно, ток короткого замыкания. Исходя из зависимости минимального воспламеняющего тока от напряжения для омической цепи, проверяется условие 2/3 I<Isc при U=Umax.

Исходя из зависимости минимального воспламеняющего напряжения от емкости цепи, определяют максимальное значение допустимой емкости для напряжения
U= Umax*1,5

Исходя из зависимости воспламеняющего тока от индуктивности цепи и напряжения источника, определяется максимальное значение допустимой индуктивности при токе
I=Isc*1,5

Определяется величина температуры самовоспламенения, основываясь на максимальном значении энергии, которая может рассеиваться во взрывоопасной зоне.

На практике все возможные аварийные условия (например, короткое замыкание, размыкание или заземление соединительных кабелей) должны рассматриваться для того, чтобы определить, какое из них является наиболее опасным.

Система, показанная на рис. 16, является простой для оценки, так как существует незначительное число аварийных комбинаций, а знание параметров безопасности электрооборудования и характеристик кабеля является достаточным для оценки безопасности всей системы.

Более сложные системы (например, сочетание барьеров или применение многополюсных кабелей) требуют более детального анализа, потому что сочетания аварийных комбинаций являются многочисленными и не всегда явными.

Электрооборудование для взрывоопасных зон

Электрооборудование, предназначенное для размещения во взрывоопасных зонах, делится на два типа: элементарное электрооборудование и искробезопасное электрооборудование.

Элементарное электрооборудование — это то оборудование, в котором не превышается ни одно из следующих значений: 1,2 В; 0,1 А; 20 мкДж или 25 мВт. Проще говоря, элементарное электрооборудование не способно производить или накапливать энергию, достаточную для воспламенения взрывоопасной смеси.

Термопары, термометры сопротивлений (RTD), контакты, светодиоды и электрооптроны являются частью этой категории и по своей природе не требуют сертификации.

Искробезопасность электрооборудования должна быть гарантирована. Это достигается посредством ограничения высокого уровня энергии, поступающей с подключенного электрооборудования или других электрических цепей, расположенных в этой же зоне.

От сертификации не могут быть освобождены электрические схемы с реактивными сопротивлениями ввиду их способности накапливать и отдавать энергию. Индуктивные элементы, катушки реле или соленоиды клапанов зачастую могут работать с уровнями энергии намного ниже рекомендуемых для обеспечения искробезопасности, но энергия, выделяемая при разрыве цепи, может вызвать воспламенение взрывоопасной смеси. Таким же образом емкостная цепь может вызвать воспламенение при разряде конденсатора. Эти типы электрооборудования должны быть оборудованы элементами, ограничивающими выделяемую энергию до безопасных уровней.

Одним из решений, обеспечивающих безопасность применения индуктивного элемента, является подключение полупроводникового диода параллельно катушке с тем, чтобы выделяемая энергия могла быть поглощена. Для емкостных компонентов последовательно подключается резистор, уменьшающий уровень тока разряда до безопасного значения.

Стандарты допускают применение диодов и резисторов, которые считаются надежными для тех случаев, когда имеют значение условия работы. Шунтирующие диоды должны быть дублированы и установлены таким образом, чтобы возможное повреждение не отсоединяло их от катушки. Резистор должен быть металлопленочным или проволочным с предельным рабочим напряжением, в полтора раза превышающим напряжение при наиболее опасном аварийном режиме. Намотка проволочного резистора должна быть рядовой, виток к витку, межвитковая изоляция обмоточного провода рассчитывается на напряжение, равное утроенному падению напряжения на резисторе в нормальном режиме.

Электрооборудование для взрывоопасных зон должно быть утверждено как искробезопасное и иметь параметры, которые отвечают требованиям соответствующей взрывоопасной смеси, в которой должно применяться искробезопасное электрооборудование (табл. 4).

U max (U внешн.) Максимальное напряжение, приложенное к оборудованию
I max (I внешн.) Максимальное значение тока, протекающего в оборудовании
Сi Максимальное значение внутренней незащищенной емкости
Li Максимальное значение внутренней незащищенной индуктивности

Таблица 4. Параметры оценки искробезопасности оборудования для взрывоопасных зон

Параметры Umax и Imax определяют максимальное значение энергии, которая может быть безопасно рассеяна электрооборудованием, и гарантируют, что величина температуры самовоспламенения, учитывающая максимальное значение точно определенной окружающей температуры, является ниже минимального значения температуры воспламенения взрывоопасной смеси. Параметры эквивалентной емкости и индуктивности используются для всеобщего анализа электрической цепи.

Электрооборудование для взрывобезопасных зон

Связанное электрооборудование, размещенное во взрывобезопасной зоне, состоит из электрических цепей, связанных с искробезопасными цепями, которые могут быть спроектированы таким образом, чтобы ограничивать энергию, передаваемую во взрывоопасную зону, до требуемого уровня.

Связанное электрооборудование может быть следующих трех типов:

  • электрооборудование, принимающее сигналы извне,
  • электрооборудование, передающее сигналы наружу,
  • искробезопасные средства сопряжения.

Контрольно-измерительное оборудование, которое принимает сигналы из взрывоопасной зоны, не передает энергию во внешние устройства во время нормальной работы. Искробезопасность обеспечивается ограничением энергии при аварийном режиме.

Аппаратура, передающая сигналы, проектируется таким образом, чтобы никогда не были превышены опасные уровни энергии при нормальном режиме или при аварийных режимах.

Искробезопасные средства сопряжения (например, пассивные БИС) предотвращают передачу опасной энергии, поступающей от несертифицированной аппаратуры во взрывобезопасных зонах.

Связанное электрооборудование должно быть сертифицировано на предмет искробезопасности на основании максимального уровня энергии, которая может быть передана во взрывоопасную зону, и иметь параметры согласно табл. 5.

Uoc Напряжение холостого хода
Isc Допустимый ток короткого замыкания
Ca Максимально допустимое значение емкости
La Максимально допустимое значение индуктивности

Таблица 5. Параметры оценки искробезопасности оборудования для взрывобезопасных зон

Эти параметры весьма важны для искробезопасности системы. Если их учитывать, то воспламенение взрывоопасной смеси будет предотвращено как при нормальном режиме, так и при аварийных режимах (например, случайное короткое замыкание, размыкание или заземление соединительного кабеля).

В европейской практике учитывается также параметр L/R (отношение максимальной индуктивности к сопротивлению).

Кабельные соединения

Длина кабельных соединений искробезопасного электрооборудования со связанным электрооборудованием может быть ограниченной из-за способности кабеля накапливать энергию. Руководящие документы обеспечивают методиками по определению максимально допустимой емкости и индуктивности.

Электрические параметры связанного оборудования учитывают значения максимально допустимых индуктивности и емкости подключенных электроцепей; поэтому, должны быть определены не только реактивные сопротивления внешнего оборудования , но и реактивные параметры соединительных кабелей. Можно ограничить или подавить накопленную энергию для внешней и взрывобезопасной аппаратуры, однако для распределенной по всей длине общей индуктивности и емкости кабеля не представляется возможным это сделать (рис. 17).

Рис. 17. Эквивалентная схема кабеля

Погонные емкость, индуктивность, сопротивление обычно указываются изготовителем кабеля и редко доставляют проблемы заказчику. Особое внимание должно быть уделено параметрам кабеля, потому что данные изготовителя не связаны с возможными аварийными условиями, предусмотренными искробезопасностью. Должен быть проверен наихудший случай сочетаний повреждений.

Для двухполюсного кабеля достаточными являются параметры, предоставляемые изготовителем. Для экранированных или многополюсных кабелей анализ является более сложным. В этих случаях рекомендуется измерить значения емкости и индуктивности образца кабеля, применяя токоизмерительный мост, и рассмотреть наихудшее условие. В результате, определив длину образца кабеля, можно узнать величину параметров С и L требуемого отрезка.

В европейской практике наиболее важной характеристикой кабеля является отношение индуктивности к сопротивлению (L/R), учитывающее тот факт, что чем длиннее кабель, тем больше сопротивление. Можно доказать, что максимальное значение энергии, которая может быть накоплена кабелем, связано с отношением L/R и не зависит от длины кабеля. Из того, что энергия, накопленная индуктивным сопротивлением кабеля, связана с протеканием тока (1/2 LI2), следует, что кабель бесконечной длины имеет бесконечное сопротивление, а ток и накопленная энергия будут равны нулю. Энергия имеет максимальное значение в месте, где сопротивление кабеля имеет такое же значение, как и сопротивление источника энергии (рис. 18).

Рис. 18. Взаимосвязь между длиной кабеля и энергией, накопленной индуктивностью

Параметр L/R, определяемый для связанного электрооборудования, вычисляется и/или проверяется при условии максимально передаваемой энергии по следующему уравнению:
L/R=4La/r
Здесь La — индуктивность, определяемая из зависимости минимального воспламеняющего тока (Isc) от индуктивности цепи и напряжения источника, умноженная на 1,5;

r=Umax/Isc — это сопротивление эквивалентного источника, которое определяется путем деления напряжения холостого хода на ток короткого замыкания.

Отношение L/R обычно указывается в единицах мкГн/Ом, и может быть альтернативой значениям индуктивности кабеля. Это отношение допускает большую гибкость при оценке параметров кабеля, так как оно не связано с его длиной.

Применение многожильных кабелей

Применение многополюсных кабелей для подключения внешнего оборудования является широко распространенной практикой и допускается стандартами, если при анализе безопасности системы размыкание, короткое замыкание и заземление не считаются аварийными режимами.

В примере, показанном на рис. 19, многополюсный кабель включает разные искробезопасные цепи. С течением времени кабель может быть поврежден, что приведет к закорачиванию проводников различных электроцепей, поэтому во взрывоопасных зонах может появиться напряжение или ток со значениями выше, чем для каждой отдельной цепи.

Рис. 19. Пример подключения оборудования с использованием многожильного кабеля

Анализ следствия случайных контактов подобен анализу, который применяется при оценке сочетаний барьеров.

Требования к заземлению

Стандарты искробезопасности требуют, чтобы были заземлены определенные точки системы, а другие должны быть изолированными от земли. Как правило, заземление искробезопасных цепей используется для предотвращения или даже уменьшения вероятности генерации чрезмерной энергии во взрывоопасной зоне.

Изоляция от земли токоведущих частей электроцепи необходима для предотвращения появления двух заземленных точек с разными потенциалами и возможности протекания тока.

Существует требование искробезопасности, заключающееся в том, что только одна точка может быть заземлена, в то время как другие должны быть изолированными от земли (минимальное значение напряжения пробоя изоляции — 500 В переменного тока).

Заземление искробезопасных цепей должно быть выполнено проводниками, изолированными от других систем заземления и подключенными к эталонной системе заземления.

Заземление пассивных БИС

С точки зрения искробезопасности, эффективное функционирование БИС связано с их способностью отводить на землю опасную энергию, поступающую от взрывобезопасной аппаратуры, к которой они подсоединены.

По этой причине очень важным является заземление БИС к эквипотенциальной системе заземления (рис. 20).

Рис. 20. Схема заземления пассивного БИС

Усройство для присоединения БИС к заземлению должно дублироваться и совместно с заземляющим проводом рассчитываться на 10-кратный номинальный ток предохранителей, установленных в БИС. Они должны выдерживать механические нагрузки, возможные в условиях эксплуатации.

Допустимое сопротивление между зажимом заземления наиболее удаленного барьера и изопотенциальной точкой земли должно быть менее 1 Ом.

Заземляющие присоединения барьеров должны быть разделены от других систем заземления и присоединены к системе заземления в одной точке.

Требуемое условие одной точки заземления означает, что пассивный барьер не может быть применен для сопряжения датчиков или электрооборудования, размещенного во взрывоопасной зоне, содержащей заземленные или плохо заземленные электрические цепи (например термопары с заземленными спаями или неизолированные преобразователи).

Заземление экранированных кабелей

Применение экранированных кабелей для соединения датчиков или преобразователей, расположенных во взрывоопасной зоне, с контрольно-измерительным оборудованием во взрывобезопасной зоне является достаточно широко распространенной практикой.

Экран следует заземлять только в одной точке, предпочтительно в точке системной земли. В случае если экран присоединен к земле в двух неэквипотенциальных точках, по цепи будет протекать ток, нарушающий работоспособность. Поэтому экранированный кабель должен быть снабжен изолирующим покрытием поверх экрана для того, чтобы защитить его от случайных контактов с землей.

Для искрозащищенного электрооборудования экран служит в качестве дополнительного проводника между взрывоопасной и взрывобезопасными зонами, и в случае повреждения кабеля по экрану может протекать аварийный ток. С этой точки зрения принцип изоляции электроцепей во взрывоопасных зонах и их заземление во взрывобезопасных зонах может быть также применим к экрану.

При применении пассивных барьеров экран может быть заземлен по месту, если это соединение не нарушает гальванической изоляции. Это значит, что два экрана по разные стороны изолирующего устройства не должны пересекаться.

Для тех применений, где экранирование является частью системы разделения искробезопасных электроцепей разных типов (например многожильный кабель), присоединение экранов к эталонной земле должно быть подобно подключению к земле пассивных барьеров (рис. 21).

Рис. 21. Пример присоединения экрана к земле

На рис. 21 показано, что экран S1 соединен с той точкой заземления, что и измерительные цепи. Он не должен быть подключен к металлическим частям преобразователя для того, чтобы не допустить образования вторичной цепи заземления, что не предусмотрено видом взрывозащиты «искробезопасная электрическая цепь».

Так как назначением внешнего преобразователя является гальваническая изоляция цепи термопары от измерительных цепей, расположенных во взрывобезопасной зоне, то связь между экранами S1 и S2 является недопустимой.

Экраны S2 и S3 обеспечивают соединение между преобразователем и барьером. Они имеют перекрестное соединение в изолированной точке клеммного соединителя.

S3 присоединяется к заземляющей шине барьера отдельным проводом, подключенным к эталонной точке заземления.

Экран S4 завершает систему заземления и не является важным, с точки зрения безопасности. Он подключен к эталонной точке экранирования, которая представлена шиной земли.

При этом способе соединения необходимо, чтобы экран S2 был правильно изолирован от металлической конструкции преобразователя, в противном случае может иметь место ситуация, представленная на рис. 22.

Рис. 22. Возможная опасная ситуация при заземлении экранов во взрывобезопасной зоне

В случае отсутствия изоляции между экраном и металлической конструкцией преобразователя во взрывоопасной зоне может образоваться чрезмерный уровень энергии. Если потенциал земли U1 отличается от потенциала U2, то вызванный этим ток ограничивается только сопротивлением экрана и возникающая искра может воспламенить взрывоопасную среду.

Ситуация может быть предотвращена заземлением экрана во взрывоопасной зоне; при этом искра, образующаяся во взрывобезопасной зоне, не вызовет пожара или взрыва.

Заключение

Выбор высоконадежных и экономичных технических средств сбора информации, работающих во взрывоопасных средах, является первоочередной задачей при проектировании систем управления технологическими процессами.

Применение во взрывоопасных зонах оборудования общепромышленного исполнения с искробезопасными цепями является одним из путей снижения капитальных затрат, повышения надежности и безопасности эксплуатации.

Литература

1. Жданкин В.К. Некоторые вопросы

Дата:  03.08.2007
Ссылка:  http://www.cta.ru
Файл:  exchain.pdf, 674.3 Кб

Новости
Колаборативні роботи - роботи помічники, серії D-Bot, від Delta Electronics

  09, Июнь 2025

Представляємо новинку – Розумна 3D ToF Камера Delta DMV-T! 📸

  07, Январь 2025

Delta Electronics оголошує про запуск виробництва передових синхроних енергозаощадливих моторів MSI. Відео порівняння.

  09, Апрель 2024


Подписка на
рассылку новостей
   Архив новостей
Опрос
Семінар-презентація з АСУ ТП та приводу
Я не маю часу ходити на семінари
Піду, якщо суміщений із виставкою
Піду, якщо суміщений із навчанням
Webinar-а цілком достатньо
Публикации
Промислові комп'ютери мають нормовані показники напрацювання на відмову (MTBF), що досягають сотень тисяч годин безперервної роботи
  читать    
Забезпечуючи гарантований час процесорної обробки кожної програмної підсистеми, адаптивна декомпозиція помітно скорочує трудовитрати на інтеграцію всієї системи.
  читать    
Завдяки розробкам компанії Adobe Systems, понад 300 мільйонів мобільних пристроїв мають графічний інтерфейс користувача (ГПІ/GUI), створений на основі технології Adobe Flash.
  читать    
Після завантаження системи в багатьох додатках, що вбудовуються, повинні бути виконані певні дії протягом жорстко обмеженого тимчасового відрізка.
  читать    
Опис різних варіантів створення насосної станції з каскадним керуванням, аналіз їх переваг та недоліків, вибір раціонального варіанту, опис необхідного обладнання
  читать    
Розробники систем, що вбудовуються, виявляють все більший інтерес до операційної системи Linux. Тим не менш, стандартне ядро Linux не забезпечує передбачуваний час відгуку.
  читать    
  Архив публикаций
2013 © АО "Системы реального времени - Украина"
Использование материала только со ссылкой на сайт
Дизайн и
разработка