04.08.2016 14:08
Качество и надежность не являются синонимами. Не давая определение качества, отметим, что качество - это свойство продукции в точке на оси времени или мгновенный снимок, в то же время надежность - это вероятностная величина, характеризующая определенный период времени, например срок эксплуатации.
Преобразователь частоты может быть абсолютно качественным в момент отгрузки, но будет ли он оставаться таким же через год, через 5 лет либо через 15? Ответ на этот вопрос закладывается на этапе разработки, производства и эксплуатации. В данной статье рассматриваются методы повышения надежности преобразователей частоты Delta Electronics на этапе разработки ПЧ.
Преобразователи частоты среднего напряжения,построенные по топологии многоуровневых инверторов напряжения,состоят из следующих основных частей: входного трансформатора, десятков соединенных последовательно и в звезду силовых ячеек, по сути дела низковольтных ПЧ, и общей системы управления. При этом каждая силовая ячейка является по сути низковольтным ПЧ, управляемым общей системой управления.
С точки зрения теории надежности, вероятность безотказной работы системы равна произведению вероятностей безотказной работы каждого элемента , отказ которого приводит к отказу всей системы и всегда меньше вероятности безотказной работы каждого такого элемента. Понятно, что вероятность безотказной работы любого элемента ПЧ всегда меньше единицы, ибо абсолютно надежных вещей не бывает. Поэтому, если не принимать дополнительных мер, надежность ПЧ среднего напряжения окажется существенно ниже, чем надежность обычного частотника. Это не может устраивать, так как последствия отказа ПЧ среднего напряжения неизмеримо выше.
Не все элементы ПЧ среднего напряжения, как системы, имеют одинаковую вероятность безотказной работы.
Так, Delta Electronics применяет в своих ПЧ сухой фазосдвигающий трансформатор с высокотемпературной изоляцией H класса, рассчитанной на долговременную работу даже при 180° С. КПД данного трансформатора из-за использования качественных материалов обмоток ( только высококачественная медь и никакого алюминия !) и магнитопровода имеет минимальные потери в стали и меди, КПД > 98% и очень мало греется.
MTBF такого трансформатора, составляющий многие сотни тысяч часов безотказной работы, рассчитывается для максимально допустимой температуры изоляции 180° С Этот трансформатор, даже при перегрузках, работает при температурах, значительно меньших максимальной. Однако при понижении фактической температуры по отношению к максимальной на каждые 10°С MTBF удваивается. Поэтому входной высоковольтный трансформатор ПЧ среднего напряжения Delta Electronics отказывает крайне редко и точно не является слабым звеном ПЧ.
Резервирование N+1
Существенного повышения надежности можно достичь, путем резервирования силовых ячеек, которые принимают на себя основные электрические и температурные стрессы.
Для этого в каждую фазу включают на одну ячейку больше, чем это необходимо для получения нужного фазного напряжения.

Кроме того, выход каждой ячейки может быть закорочен специальным ключом, или байпасом, при этом резервные ячейки изначально закорочены. Delta Electronics, в отличие от других производителей, использует в качестве такого ключа еще один быстродействующий IGBT модуль. Таким образом закоротить отказавшую ячейку при необходимости возможно практически мгновенно. Вместо закороченной ячейки, так же мгновенно можно ввести в работу резервную.
Резервирование с деградацией характеристик
Стоимость предыдущего варианта - как минимум 3 дополнительные силовые ячейки, которые будут работать только в случае отказа и только на протяжении времени восстановления преобразователя частоты. Если же мощность преобразователя и двигатель подобраны с запасом, более предпочтительными вариантами окажутся опции с уменьшением выходного напряжения ПЧ.
В асинхронном двигателе, при уменьшении напряжения уменьшается максимальный вращающийся момент, пропорционально квадрату такого уменьшения. Если в результате такого уменьшения момента гарантированно не происходит нарушения устойчивости двигателя, то такой вариант получается практически бесплатно.
Реализовывается он достаточно просто - путем закорачивания оказавшей ячейки в одной фазе и еще двух исправных в двух других, что бы не допустить перекоса фаз.
При этом, чем выше номинальное напряжение ПЧ, тем меньше в процентном отношении окажется деградация.
Несимметричное шунтирование
В последнее время набирает популярность метод несимметриного шунтирования, с помощью которого можно достичь существенно меньшей деградации при одной и , даже при 2-х отказавших ячейках.

Система управления замкнет дефектную ячейку и одновременно изменит угол между фазами таким образом, что бы линейные напряжения оказались одинаковыми. При этом угол между линейными напряжениями будет точно 120 градусов и подключенный треугольником двигатель ничего не почувствует, кроме незначительного снижения питающего напряжения.
Система управления замкнет как дефектную ячейку, так и две других , расположенных в 2-х других фазах, что бы не допустить перекоса. В результате фазное напряжение уменьшится на выходное напряжение одной ячейки, или 580В.
Во многих случаях такая деградация вполне допустима и гораздо предпочтительней полной остановки привода. Причем, чем выше выходное напряжение, тем менее ощутимой в процентном отношении будет деградация.
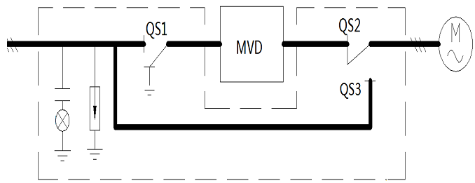
Байпас
В случае более серьезной аварии, преобразователь частоты должен быть отключен, занулен, а двигатель подключен напрямую на сеть.
Эти функции обеспечивает входящий в комплект шкаф байпаса. Байпас может быть заказан ручной, если технологический процесс дает время на переключение.

Кроме того байпас может быть автоматическим, безударным.

В этом случае ток двигаотеля не прерывается, а выходной ток привода плавно снижается для нуля. Данный байпас можно использовать не только для автоматического резервирования, но и для каскадного управления несколькими насосами от одного ПЧ.
Более полную техническую информацию по сериям преобразователей частоты среднего напряжения Delta Electronics, опросные листы, можно получить на сайте официального партнера Delta Electroncis в Украине АО “СРВ-Украина” (RTS-Ukrainе)